This thread has been locked.

If you have a related question, please click the "Ask a related question" button in the top right corner. The newly created question will be automatically linked to this question.

TMS320F28335: eCAP Configured as APWM: Creating dead band from sync chain and compare values

Part Number: TMS320F28335


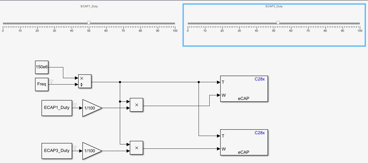
I need a pair of complementary PWM signals using 2 eCAP pins. Each eCAP pin is attached to an IGBT. The pair of complementary PWM signals needs to have dead band protection in order to prevent shoot-thru faults on the totem pole switch configuration. Unfortunately the dead band submodule is not included with the eCAP module. Another post recommended using the sync chain and the compare values to create a dead band between the complementary pair.  I've developed an example application using Simulink Code Generation.  I'm operating at 20kHz at a 50% duty cycle.  With respect to the compare register, I understand if one of the complementary pairs has a slightly different duty cycle I effectively add a small amount of dead band.  However, then I end up with the attached result which only inserts rising edge dead band due to the Up count type for the modulation.  If I synced and phase shifted one of the PWM channels with respect to the other I believe I'd be able to introduce both rising and falling edge dead band.  From the Simulink environment I have not been able to phase shift eCAP modules.  Is there an example CC Studio that shows how to phase shift (2) eCAP modules?  Is there a better way to introduce dead band with eCAP?

  • Hi Sean,

    Checking with domain expert to take a look it. Will get back to it soon.

  • Hi Sean,

    You can phase shift two eCAPs by delaying the start in SW, that way you can create dead bands on both Rise and Fall edges. I am not sure if it is supported through Simulink (may have to check with Mathwork team).

    We currently do not have example showing phase shift signal in CCS, but their is an example to generate a PWM signal using eCAP, you can use that and add another eCAP with similar configuration and in SW you can delay the start to achieve phase shift.

    Regards,

    Nirav

  • Hi Nirav,

    I am also working on this case to help user get the phase shift to work.

    While we are exploring other options, can you help us understand the SW delay approach?

    How exactly this can be accomplished and what are the settings needed to get it working?

    Is this about SWSYNC bit? Please can you throw more light on this.

  • Hi Venkatesh,

    What I meant is delay the start of eCAP2 by setting TSCTRSTOP=1 after some time (as much phase shift required), this will delay the start of count for the CAPx counters within eCAP2, and hence you can generate a phase shift for both the eCAPs.

    Settings will still remain the same, as needed for generating PWM using eCAP.

    If you use SWSYNC then it will sync both the eCAPs and phase shift may not be possible.

    Regards,

    Nirav