Part Number: TMS320F28375D
Team,
My customer is observing the following issue on 10% of their boards, hope you can provide some guidance what could be going on, and how to fix it:
When we try to program them we get a message attached error message.
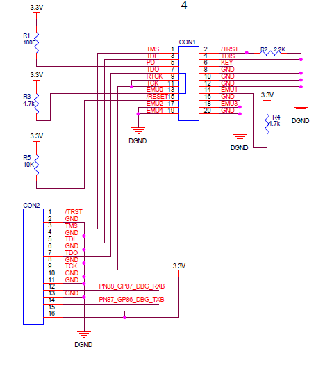
PCB-Space is the biggest constraint in our case, so we do not have space for the JTAG to sit directly on the DSP-Board.
We have develop a JTAG-PCB to which the JTAG gets connected and through FPC cable we connect to the DSP:
JTAG-PCB:
DSP-Side:
Your inputs are appreciated.
Thanks
Viktorija



