This thread has been locked.

If you have a related question, please click the "Ask a related question" button in the top right corner. The newly created question will be automatically linked to this question.

MOTORWARE: Question about TMDSHVMTRPFCKIT

Genius 3095 points
Part Number: MOTORWARE


Dear Yanming:

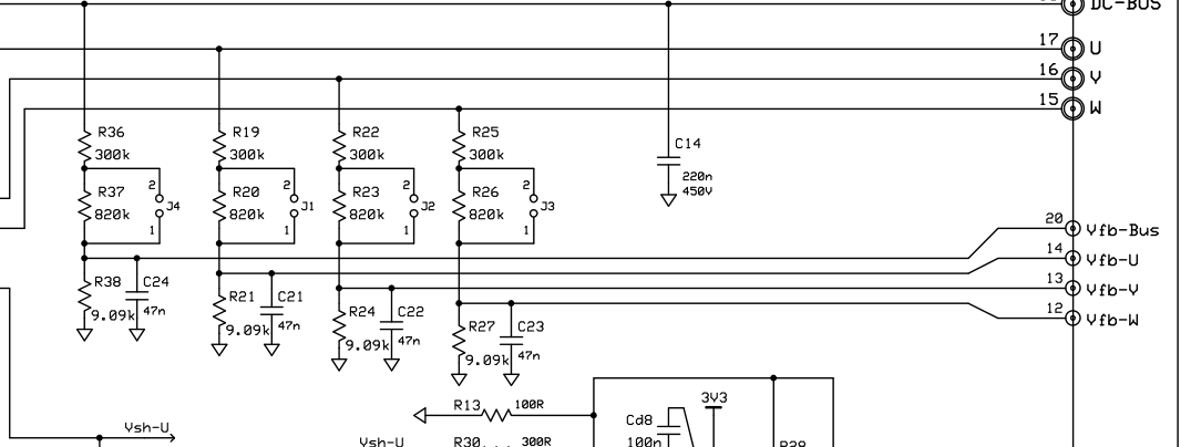
Why is the neutral point grounded? Should this ground be the conduction voltage of the lower bridge arm?

Another problem is that I give pwm1h a PWM signal with a duty cycle of 50%. The other pins do not give signals and do not connect the motor, Then use an oscilloscope to measure the voltage between u and ground.But the measured voltage is 12V, which is obviously not the same as expected.

Best regards

  • You should note that the ground planes of all the power domains (power and control)are the same in this kit. The neutral point is the power ground also for voltage sensing.

    What do you mean other pins? You should see the same signals on the U/V/W if you set the PWM duty to 50% and the kit is not damaged. You might use lab01 or lab01b  for the high voltage kit in motorWare to verify this.

  • Any updates?  I’m assuming you were able to resolve your issue. Please let me know if you have any questions. We would like to close this thread if no further questions. Thanks.