Tool/software: Code Composer Studio
Hello there,
I am looking into TIDM 1000, In the main code, there are IL1meas, IL2meas, IL3meas, what are the nature of that signals? Are they triangular or sinusoidal or what in nature? Also, are they in 120-degree phase difference?
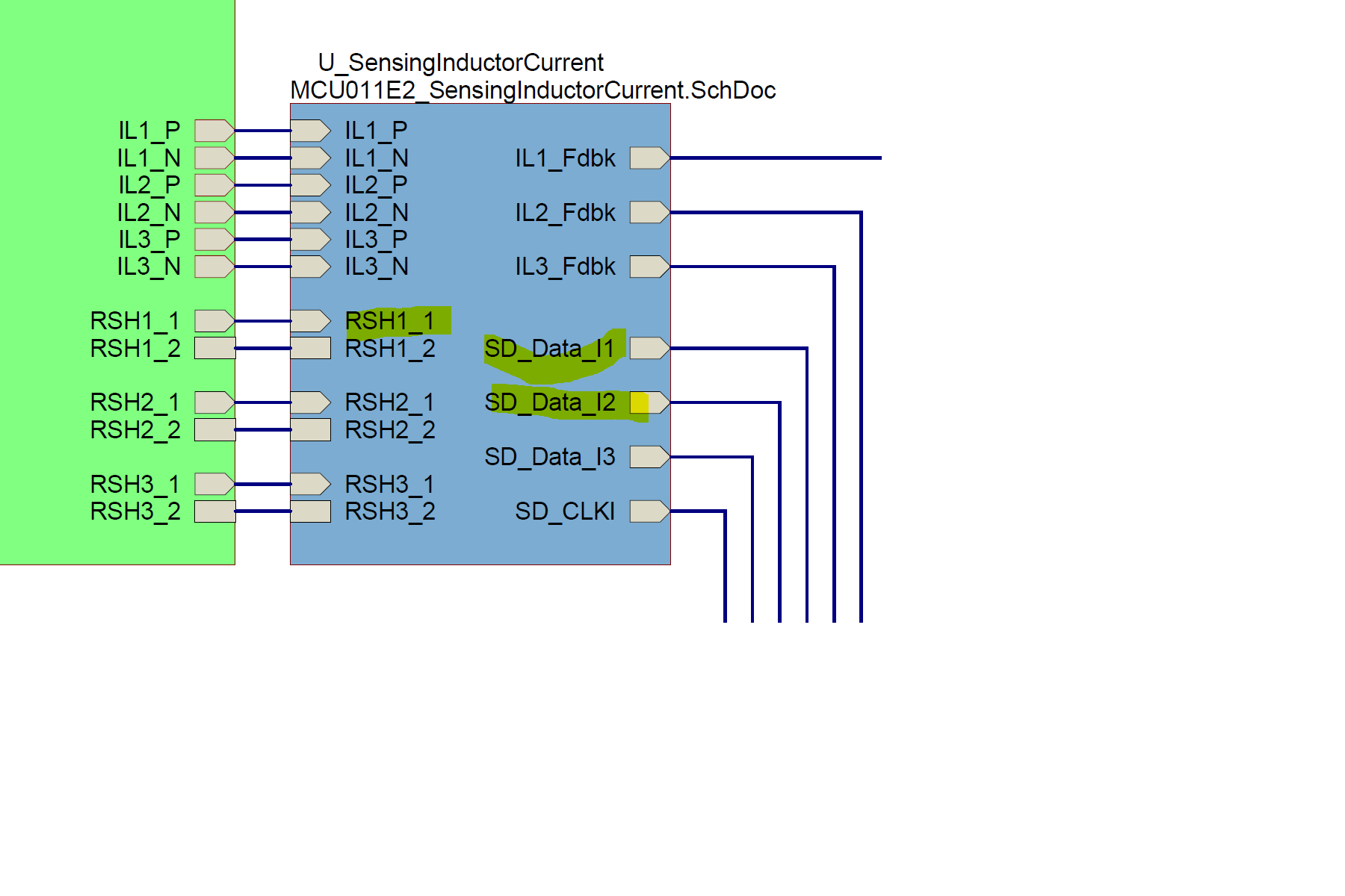
Also In the schematic of this, what is SD_data and RSH? what is the main use of that?
