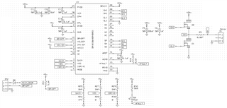
We have an existing board design that uses the DRV8106H, but there are some supply issues so we are looking for alternatives. According to documentation, the two pin-for-pin alternatives are the DRV8705H and DRV8706H.
I am not sure if our current board would work the same with either of these newer chips. The motor we are controlling is either held in brake or speed controlled by a PWM signal. However, the unused pins for the DRV8106H are left floating, so I will not have the ability to change MODE, IN2, or HIZ2. MODE looks like it will be stuck at level 3 and IN2 and HIZ2 will be pulled down. Looking at Table 7-5, I don't think our motor would be in brake mode if IN1 is low unless IN2 goes high. Can someone help confirm this for me?
Thanks,
Gavin
