Hi team,
My customer is asking whether we have such proper motor driver device with such features for their seat ECU application:
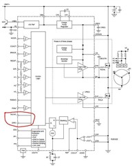
Support 12V supply voltage for the brushless motor driver; the device customer requires integrated brushless control software, with hall signal feedback and direction feedback signal, see TACHO, DIRO like the figure below: (it is a competitor's device while I do not know what competitor it is) I am discussing with customer whether external FET is a must or optional choice, if they could accept internal FET, do you think MCT8316Z a proper automotive level device for customer? Thank you.

Also customer needs the automotive level device, do we have such proper device? Thank you.