This thread has been locked.

If you have a related question, please click the "Ask a related question" button in the top right corner. The newly created question will be automatically linked to this question.

MCT8316A: IIC reads the value of EEPROM Configuration

Part Number: MCT8316A

Hi team,

Here's an issue from the customer may need your help:

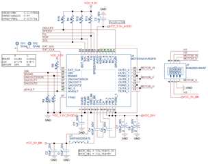
Schematic is as follows:

1) Reading the MCT8316EEPROM data through the monolithic IIC interface is inconsistent with the manual.

2) the design board (no motor connected, DRVOFF low, DIR low, BRAKE low) outputs a fault signal on the nFault pin after power up.

Could you help check these 2 questions? Thanks.

Best Regards,

Cherry