Hi,
We have designed a DC motor driver PCB and we have used the ref. DRV8701E. Everything was working well with it but when we have gone to do the IEC certificaction of the device we have been surprised because it has failed the radiated immunity test (10V/m field).
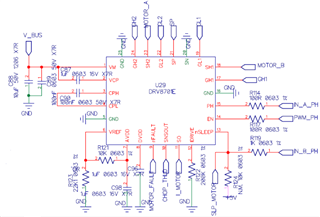
Analyzing the problem in depth we have discover that in frequencies between 80 and 84MHz both internal regulators of the DRV8701E falls to 0Vdc. You can see the electronic schematic of the DRV8701 zone
Looking into the datasheet I expected both LDOs to be in parallel as shown in the image

However, falling both at the same time, without falling of Vbus, makes me doubt about it.
- Why dou you think the DRV8701 is failing at those frequencies?
- What can explain that both LDOs fails at the same time?
- Have anybody had any similar problem with this device?
Thank you very much for your support,
Best regards,