This thread has been locked.

If you have a related question, please click the "Ask a related question" button in the top right corner. The newly created question will be automatically linked to this question.

DRV8353F: elp with DRV5353 working at 48V battery.

Part Number: DRV8353F

Dear forum members
I need some help with DRV5353 working at 48V battery.
Several months ago I asked for help in the same matter, somehow the customer didn’t order and the issue remained un resolved. Now we supplied units to the customer and a serious problem popped again.
When the battery which supply the motor driver is in fully charge around 53VDC the DRV5353 (not always) stop working. (Blown up)
In such situation the DRV5353 consume large amount of power, and the VCP voltage is equal or slightly higher than the VM voltage. In some cases, the resistance between the VCP pin to Ground is 2 Ohm and in some cases several kΩ
We tried to:
1- Reducing the drive current, I Drive to 100mA/150mA IDRIVEP_HS or IDRIVEP_LS = 0011b
2- Reducing the high current time T Drive to 1uSec. TDRIVE = 01b
3- Schottky diode between the VCP PIN and VM to the Ground to prevent negative transient on VCP signs. But nothing helps.
I wonder if the DRV5353
1- Has a parasitic diode between VCP and GND?
2- how the IC regulate the Vcp voltage? is it by internal zener diode? (Can such regulation stand the power created by the charge pump 47nF low ESR capacitor driven from VM (at 53V)
3- How the high side gate drivers, + the current sources consumes the power when the Vcp+VM is 64V?
Your prompt answer will be highly appreciated.
We already sold over 2000 unit running at 24V without any major issue. The problem is only on 48V systems.
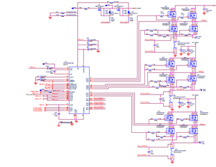
The schematics is simple and very close to the application. The IC is connected to same Power GND with all the relevant pins.

  • Hi Yesaiahu,

    Thank you for the inquiry. 

    Could you still please provide the relevant (latest) schematic you are using in which you see the problem? 

    I will gladly look into the issue and provide a possible recommendation/helpful info for your questions as soon as possible. 

    Best Regards,

    -Joshua

  • Hi Joshua,


    Thank you for the prompt response

    I am sending the relevant schmatics section in PDF format

    For more information if needed you can contact me directly for more information at: shaya@redler.co.il

    Best Yegards

    Yesaiahu Redler

  • Hi Yesaiahu,

    Thank you for the extra information and hope to have an update for you soon.

    Best Regards,

    -Joshua

  • Hi forum members

    DRV8353F

    Hi Joshua,

    Can you spare some time to help us

    Best Yegards

    Yesaiahu Redler

  • Hi Yesaiahu, 

    I will aim to have an update/recommendation for you by the middle of next week, if not sooner. 

    Thank you for your time and patience.

    Best Regards,

    -Joshua

  • Hi Yesaiahu, 

    I apologize for the delay. but am still working on finding a solution or recommendation for your issue/questions. 

    Thank you for your patience.

    Best Regards,

    -Joshua

  • Hi Yesaiahu, 

    Sorry for the delay again.

    3- Schottky diode between the VCP PIN and VM to the Ground to prevent negative transient on VCP signs. But nothing helps.

    The circuit has the recommended 1uF cap from VCP to Vdrain, but instead of a diode you could try another 1uF cap from VCP to VM to help filter those transients. I believe you are operating in single supply mode, but can you provide the voltage waveforms on VCP, VDRAIN, VM, CPH, and CPL to get a deeper look at the functioning state? Could you also ensure that each cap is rated is for the proper voltage (>=16V)?

    1- Has a parasitic diode between VCP and GND?
    2- how the IC regulate the Vcp voltage? is it by internal zener diode? (Can such regulation stand the power created by the charge pump 47nF low ESR capacitor driven from VM (at 53V)

    The internal structure of the Charge pump/VCP does utilize diodes to ensure proper current flow regulation as the pump switches and charges, but there is no diode to ground as far as I am aware. This configuration is robust within the recommended use cases and that 47nF cap has been tested for these conditions. 

    3- How the high side gate drivers, + the current sources consumes the power when the Vcp+VM is 64V?

    If you are operating in single-supply mode where VM and Vdrain are tied together, VM+VCP = 64V is well within the recommended use case and the power consumption should not greatly differ. 

     Could you also provide a PDF of the circuit, as I was able to look over it but it would be helpful to have a clearer image to ensure I didn't miss anything important.

    Best Regards and Thank You for your patience,

    -Joshua