Hello TI team,
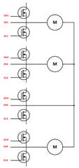
I am working with the DRV8718-Q1 driver chip to drive multiple loads connected in parallel as seen in the diagram below. They are connected to gate channels CH1...CH4. We want to enable offline diagnostics for each load while the system is in standby. However, due to software constraints, it is requested that diagnostics for all three motors be measured at the same time, using the configuration below.
- PU_SH1 = 1, PD_SH1 = 0
- PU_SH2 = 1, PD_SH2 = 0
- PU_SH3 = 0, PD_SH1 = 1
- PU_SH4 = 1, PD_SH4 = 0
My concern is that with all three loads connected in this arrangement, there are issues with the comparators measuring the diagnostics properly, especially on the common point (CH3). Is it possible to use the above configuration of internal comparators to measure all three load diagnostics at the same time? Or is it recommended to measure only one load diagnostics at a time, cycling through each load as needed?
