This thread has been locked.

If you have a related question, please click the "Ask a related question" button in the top right corner. The newly created question will be automatically linked to this question.

DRV8718S-Q1EVM: DRV8718S, if there is induce voltage from motor side, how affect there is?

Part Number: DRV8718S-Q1EVM

Hello,

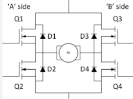
 we have design which has 3 motor running and are connected to DRV8718S.

for running 3 motor, we made H-bridge circuit with FET.

if it is in no battery status, if first motor makes induce voltage, could that voltage make the other motor to move or be forced?

my question is if other motor which is connected other side is affected by that induce voltage.