Tool/software:
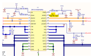
We are using DRV8243HQDGQRQ1 for DC motor driving, and operating in PWM mode RLVL3OF3.

Currently in our design for Mode pin (Pin 27 of IC) we have connected 698K resistor to GND.

From datasheet, we observed this PIN is Hi-Z (No Connect) for PWM mode.

We have checked by removing this resistor, motor is working.
Please guide us, can we remove this resistor?
FYI : We are driving its power from High Side driver (HSD). So whenever motor operation is required, we supply power from HSD. In no operation case, power is disconnected.