This thread has been locked.

If you have a related question, please click the "Ask a related question" button in the top right corner. The newly created question will be automatically linked to this question.

DRV8840: Resistor between VCP & VM

Part Number: DRV8840

Tool/software:

Hello team,

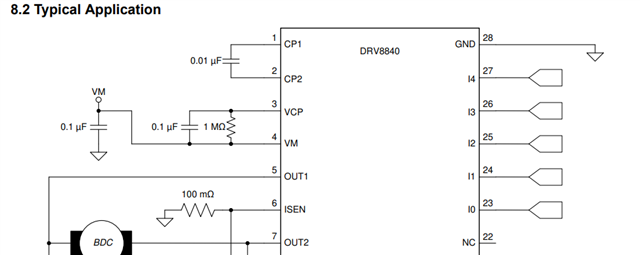
From below example circuit from datasheet, may I ask:

1. What is the role of the 1Mohm resistor between VCP and VM?

2. Is this resistor absolutely neccessary, or could we design circuit without this 1Mohm?

Thank you in advance for your help and support.

  • Hi

    Thank you for your question. 

    1. What is the role of the 1Mohm resistor between VCP and VM?

    The 1Mohm resistor provides a safe discharge path to bring VCP down gently to avoid false switching or gate driver issues when the device is put to sleep. 

    2. Is this resistor absolutely neccessary, or could we design circuit without this 1Mohm?

    The 1 MOhm resistor can be included or excluded. It helps to discharge the charge pump capacitor faster when the device is put to sleep. The faster discharge allows the motor to exit brake mode when entering sleep mode. 

    please let me know if you have any questions. 


    Best regards, 

    Mojtaba.