This thread has been locked.

If you have a related question, please click the "Ask a related question" button in the top right corner. The newly created question will be automatically linked to this question.

DRV8702-Q1: Is it possible to leave the low-side outputs unconnected in these drivers? Use only the high-side outputs to drive two motors, leaving the low-side outputs floating.

Part Number: DRV8702-Q1
Other Parts Discussed in Thread: DRV8106-Q1

Tool/software:

I need your support in selecting a gate driver

We have an application where:

  • One motor needs to be controlled using a high-side switch,
  • A second motor can be controlled using either a high-side or low-side switch, and
  • Both motors must be able to rotate independently and unidirectionally, with duty cycle control from 0% to 100%.

The available supply voltages on the board are 5V and 21V.

Could you please review the following options and suggest a suitable gate driver that can be used to control both motors?

Options Under Consideration:

  1. Half-Bridge Smart Driver 
    Use the high-side output to drive one motor and the low-side output to drive the second motor.
  2. DRV8106 for High-Side + Separate Low-Side Driver
    Use the DRV8106 to control the high-side MOSFET for the first motor (leaving the low-side unconnected), and a separate low-side gate driver for the second motor. Please note: I only have 21V available for the low-side driver supply.
  3. Dual Half-Bridge or H-Bridge Smart Gate Driver
    Use only the high-side outputs to drive both motors, leaving the low-side outputs floating to save the cost of low-side MOSFETs. I am currently evaluating the DRV8702/DRV8703 and DRV8706 for this purpose. Could you please confirm if it's feasible to leave the low-side outputs unconnected in these drivers?
  • Hi

    thank You for your question.

    >>Use the high-side output to drive one motor and the low-side output to drive the second motor.

    This cannot be done with DRV8106-Q1 or DRV8705/6-Q1. Only one motor on one half bridge channel.

    DRV8703/8703-Q1 is old gen. Recommend to use DRV8705/6-Q1 in new platform.

    regards

    Shinya

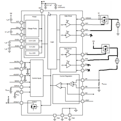
  • DRV8706S-Q1 and DRV8702 are H bridge drivers with Independent Half Bridge mode. Is it possible to leave the low-side outputs unconnected in DRV8706S-Q1 and DRV8702 drivers? Use only the high-side outputs to drive two motors, leaving the low-side outputs floating.

    Just as an example for DRV8702, I am attaching a circuit diagram

  • HI Sajan,

    Morita-San is out of office and I am looping in Murugavel from my team to support this request.

    Thanks,

    Ibinu

  • Hi Sajan,

    If you do not have the low-side drivers how would the current recirculation (freewheeling) take care of? At the minimum you may have to substitute the LS-FET body diode with an external freewheeling diode.

    That said, these smart gate drivers monitor VGS and VDS voltages. If there is no LS-FET connected this will result in VGS error and VDS overcurrent OCP error. You should take care of these, else the driver could be disabled depending on the settings used. VGS is also monitored for dead-time handshake. So you must use fixed dead time setting to avoid any issues. Thank you.

    Regards, Murugavel  

  • Hello Murugavel,

    Thank you for your reply.

    We have a freewheeling diode connected externally, and we will disable all errors related to the missing LS FET. We are already following this approach with the DRV8106S in one of our product to drive a single motor.

    Could you please confirm whether it is possible to leave the LS output open in the DRV8702 and use only the HS output to drive two motors same as above?

  • Hi Sajan,

    Could you please confirm whether it is possible to leave the LS output open in the DRV8702 and use only the HS output to drive two motors same as above?

    Assuming you have addressed freewheeling diode and the errors the general answer would be, yes. However, we don't have a visual of your application system schematic. Please share the complete schematic including load connections and the registers settings if you'd want us to review and comment. Thank you. 

    Regards, Murugavel 

  • Hello Murugavel, Thank you for your reply. I will share the schematics with TI once they are ready for review.

  • Sounds good, thank you.