This thread has been locked.

If you have a related question, please click the "Ask a related question" button in the top right corner. The newly created question will be automatically linked to this question.

DRV8353: Application problem.

Expert 1910 points
Part Number: DRV8353

Tool/software:

Hi Team,

It is used in electric screwdriver products. It starts normally, but there is an error when reversing, and the motor is stuck, causing the screw to not come out.

Please help analyze the reasons.
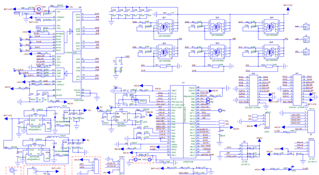
Here is the schematic diagram:

  • Hey Reed,

    1) I dont see anything immediately wrong with the schematic.

    2)What is your VM and Vdrain voltage?

    3) Is your motor able to spin forwards and reverse without issue when there is no load present?

    4)  Does the driver report any faults?

    5) Do you have waveforms showing VGS, SHx, Vdrain, and motor phase current in both forward and reverse.?

    Best,
    Akshay