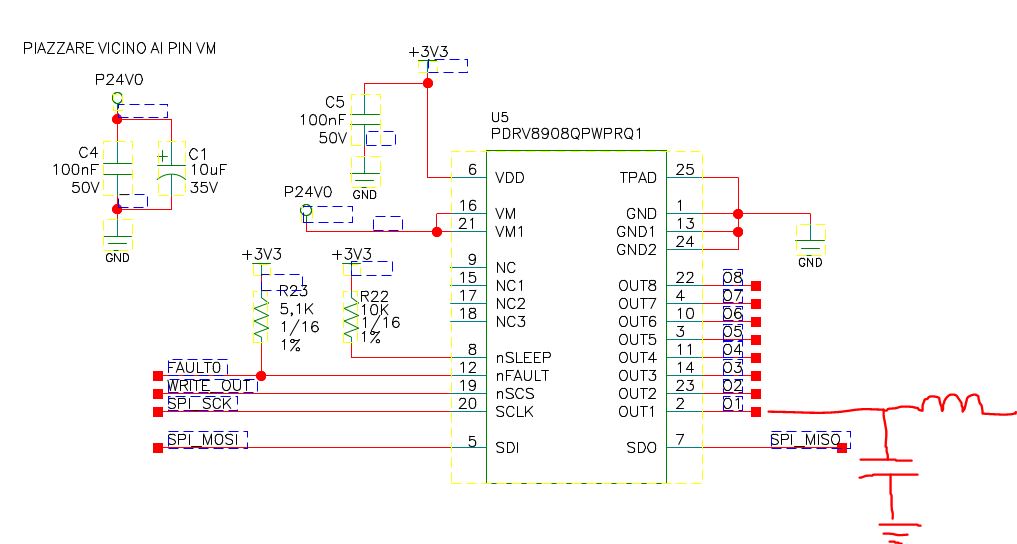
Good morning. We are using the DRV8908QPWPRQ1 integrated circuit to drive various types of output loads. In our case, we are driving a 5mA load connected to ground with a 1Hz square wave. The VM voltage supplied to the integrated circuit is 24V.
In the ECER10 ISO11452-2, 20-200MHz, 60mA (AM 1KHz 80%) Bulk Current Injection test, we are experiencing output failures. During the test, the output subjected to interference randomly locks up, either at a high or low logic level. When the interference is removed, the output resumes functioning correctly.
The interference frequency at which the problem occurs is around 70MHz.
We tried placing a 10nF capacitor on the DRV8908 output, but it is not sufficient.
We also added a ferrite bead (Murata BLM31PG601SN1) in series with the output, in addition to the capacitor, but while it improved, the problem shifted in frequency and persisted.
What can we do to pass the test?
What's happening in the integrated circuit?
We've attached the original wiring diagram and the one with the tested modification.
Best regards
Mauro
