This thread has been locked.

If you have a related question, please click the "Ask a related question" button in the top right corner. The newly created question will be automatically linked to this question.

DRV8312 current sensing & operation problem

Other Parts Discussed in Thread: DRV8312, TMS320F28069

I'm using DRV8312 & TMS320F28069 same like DRV8312 kit for driving BLDC motor.
Everything look fine , I did check Amp output it seems OK. Same ref V with evaluation board and I can see it works if I load more on BLDC motor.
But the problem is I can't get profile though CCS debuger. Evaluation board works fine but my board. And my board has stable problem that the RPM is not really stable and I have to force to spin with my hand first.
Please help me What is the tuning point. opamp? Artwork? passive value? ADC lowpass? or other thing?
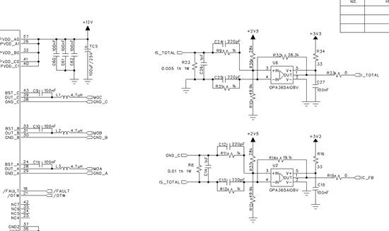
------------Schimetic---------
# C24, C25, C12, C13 is not populated.
  • Hi Jungsik,

    Are you having two problems? One problem with the CCS debugger and a second with the your board?

    What is the CCS debugger problem? What steps have you taken to get around it? Do you have any screenshots that can provide a clue?

    For the board problem have you checked the voltage outputs at I_TOTAL and IC_FB with no current? This will confirm that the voltages are correct at the start.

    Since you have the evaluation board, can you use it to perform comparisons against your board? This should provide a quick debug tool.

    If you are still having problems, please provide more details about your board and how it compares to the evaluation board.

    Thank you.

  • Need many more details.  This is your own HW based on the DRV8312 EVM and you have F28069 on the PCB?

    What software are you using?

    What changes did you make vs. the EVM board to the current and voltage sensing?

    Did you put the XDS100 emulator on your board or bring out a JTAG header for debug?

     

  • I have only one problem. The result of it, I can't get motor parameters I think.

    I_TOTAL and IC_FB.... is all same about 1.7V.

    * Evaluation board works fine motor driving and get a parameters of my motor.

    * I use 'MoterWare , proj_lab02a ' same software as EV board. (pin connection is same)

    * I use XDS560V2 , JTAG

    Not suppose to like 4.981362e-10

  • something appears wrong with your Ic shunt current measurement, and likely the whole circuit.

    you may be able to set the number of current sensors in user.h to (2) so it will only use Ia and Ib. If these circuits are good it may work and let you debug the problem, but I suspect there is a larger hardware issue with the inverter/sense circuitry.

     

  • Hi Jungsik,

    I am in charge of Motor control solution at TI-Korea. I view I can address your current issuse If you didn't solve your issues yet. Pls let me know your status and contact number.

    Steve,

    TI-Korea (02-560-6810)