Hello,
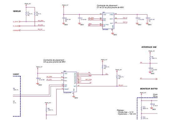
We have design a product with a DRV2605 and we have problem with the power consumption.
The fonctionality of the DRV2605 seems to work well (we have succeful LRA control), but the consumption is very high. We we just put the DRV2605 on (=we put the EN pin at high level), the current take +40mA ! (without any LRA command).
Thanks for any idea.
Thierry
