This thread has been locked.

If you have a related question, please click the "Ask a related question" button in the top right corner. The newly created question will be automatically linked to this question.

TMDSHVMTRINSPIN and ePWM6B

Other Parts Discussed in Thread: TMDSHVMTRINSPIN

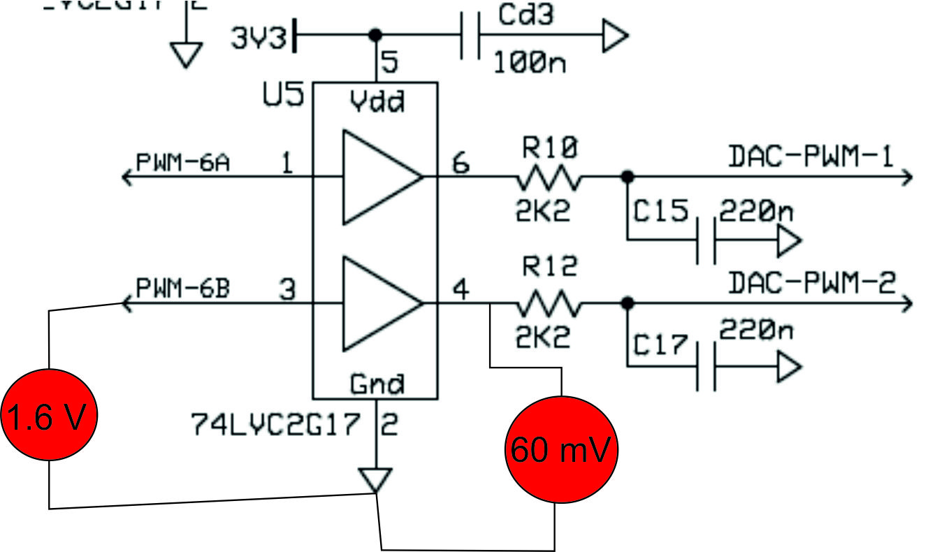
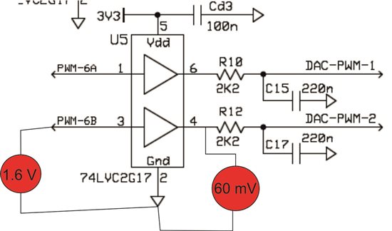
I use TMDSHVMTRINSPIN and I have a problem with ePWM6B. At the DAC2 output  I always get about 60 mV. With the same settings on the ePWM7B operating normally, and I get correct voltage on DAC4, in my case obout 1.6 V.

I measured the voltage on the Dual Schmitt-Trigger - pictures. Is Dual Schmitt-Trigger broken?