Hi,
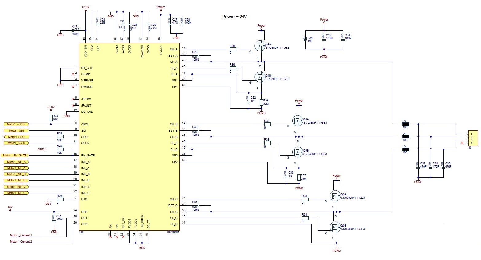
I’m using the DRV8301 to drive a three-phase BLDC motor in “6-step trapezodial commutation”. Due to the trapezoidal commutation, one of the three phases is (in relation to the hall-sensors) inactive (low/high-side FETs disabled). With this situation, the DRV8301 seems to have a problem. When the motor starts turning (change TargetPosition of the position control-loop in uC), and the hall-sensor changes his state, the inactive phase needs to be activated. To ensure loading of the bootstrap capacitor, I switch ON always first the low-side FET. And here is the problem. Sometimes the DRV8301 ignores the low-side gate signal --> the LS gate output doesn’t do anything! In consequence of this, the bootstrap capacitor doesn’t charge and the first time the high-side FET switches, an OC failure occurs.
Is this a known issue of the DRV8301?
I searched the support forum and found an interesting post “DRV8301 : Trickle Charge Circuitry and Internal Handshake”. It seems he had exactly the same problem. I wonder if there was a solution on this problem.
regards,
Marco










