This thread has been locked.

If you have a related question, please click the "Ask a related question" button in the top right corner. The newly created question will be automatically linked to this question.

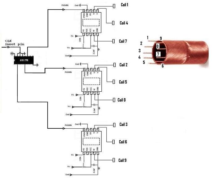
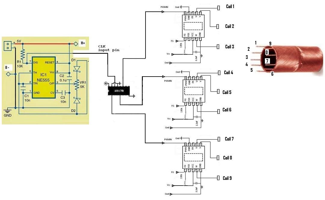
driver a 5 coil micromotor ( that have coil in a delta mode )

Other Parts Discussed in Thread: DRV10963

Hello.
for my nephew who has a micro drone quad,
as well as repair she asked me to improve it.

The average life of a brush motor is really short.

He does not want another toy, he wants to improve what he has.

I started to edit the brush motors in a brushless, it is really simple:

Even fly it easily if they have 3 windings.

The minimum size is 3x2 mm for now:

The problem is how to drive 5 windings in delta mode:

Transforming the winding in a STAR configuration is also possible but so too complicated, given the size of the tiny engine.

Any suggestions about a chip / circuit for a 5 winding delta mode
about 5Vdc and 500mA ?