This thread has been locked.

If you have a related question, please click the "Ask a related question" button in the top right corner. The newly created question will be automatically linked to this question.

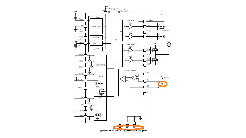
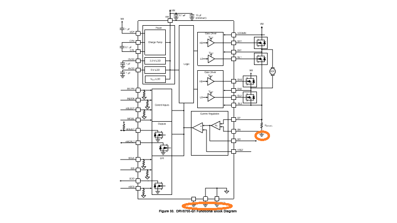
DRV8703-Q1: Influence of GND Level Difference

Part Number: DRV8703-Q1

Dear Sir.

My customer is evalating DRV8703-Q1 as brushed motor pre-driver for their system.

At this time, OEM pointing out the GND level difference between DRV8703-Q1 GND

and Motor GND. It may be around 1 ~ 1.5V.

DRV8703-Q1 GND is a kind of ECU GND. Motor GND is a kind of vehicle Chassis GND.

Both case will be happened, ECU GND > Chassis GNG, ECU GND < Chassis GND.

(I guess it affect negative surge protection diode, etc).


They will not put low side Rsense for current measuring.

Now, They are asking about the influence of such GND level difference on DRV8703-Q1.

Sorry to disturb your job suddenly. Please give your advice.

1. I suppose no influence on DRV8703-Q1 basic function because these are based on

ECU GND. I wonder my guess is correct?


2. I suppose no influence on DRV8703-Q1 protection function because VDS monitor is

executed by voltage difference, not absolute voltage level from GND.

I wonder my guess is correct?


3. I suppose there was an influence on Gate charge because VDS would be shifted.

I wonder my guess is correct?


4. This is related to above #3.

I wonder VGS(th) would get the influence? Is there a possibility FET turn-on or

turn-off was obstruced due to such influence?

Best Regards, 

H. Sakai