This thread has been locked.

If you have a related question, please click the "Ask a related question" button in the top right corner. The newly created question will be automatically linked to this question.

DRV8835: driving multiple DRV8835s

Part Number: DRV8835

HI team

Ok I think that the safest thing to do is to have three DRV8835s, one for each motor.

 

Can you answer these two questions for me though.

 

    1. Can I toggle the AIN1&2 / BIN1&2 lines high and low with no detrimental effect on the chip, excessive current draw, etc if the VM supply is at 5v and the VCC is low. That is connect the same input pins to all three DRV8835s and control which motor is turned by using VCC.
    1. With AIN1&2 / BIN1&2 stable (low or high) and VCC low can I save power by taking the VM pin low, or doesn’t it matter?

 

  • Hi ajayt,

    For question a. : the outputs are disabled and the internal circuitry is as well. In order to do this, you have to get your timing right. with the added time of getting the devide on and off sleep due to Vcc on/off, you add the operational timing delay of turning on and off the outputs. See image below.

    For question b. : you will save supply current since the only load currents to the turned off DRVs will be the MODE and AINx/BINx signals and they will be entering disabled internal circuitry. You can save more power if your VM/VCC for each DRV are tied together (should be done if both VM and VCC are less than 7 V). Therefore, you will turn off power to DRVA when you stop spinning DRVA, turn on DRVB when you spin DRVB, etc. Question is, I do not know if you will use supplies at 7 V or less or if you can use three separate supplies.

  • I have been thinking about it a bit more and I wonder if I am driving the motor the best way.

    I am using the ph/en method (mode = high).

    The motor is a bi-phase stepper motor so I have connected the AOUT(1,2) and the BOUT(1,2) to each of the windings.

    First question is that on page 11 of the data sheet it says that with enable 0 the motor function is “break”. What does brake mean? Are the FETs driving any current during this phase?

    What does “coast” mean with IN/IN operation? Should I be better to use the motor in this mode?

    I am using a basic timebase of 2ms and driving the phase / enable inputs with a cycle of 8 pulses, ie as follows

    Forwards

    Phase 0 0 0 1 1 1 1 0
    Enable 1 1 1 0 1 1 1 0
    Phase 0 1 1 1 1 0 0 0
    Enable 1 0 1 1 1 0 1 1

    To generate OUT signals of

    A+ 1 1 1 0 0 0 0 0
    A- 0 0 0 0 1 1 1 0
    B+ 1 0 0 0 0 0 1 1
    B- 0 0 1 1 1 0 0 0


    Backwards

    Phase 0 0 0 0 1 1 1 1
    Enable 1 1 1 0 1 1 1 0
    Phase 1 1 0 0 0 0 1 1
    Enable 1 0 1 1 1 0 1 1

    To generate out signals of

    A+ 1 1 1 0 0 0 0 0
    A- 0 0 0 0 1 1 1 0
    B+ 0 0 1 1 1 0 0 0
    B- 1 0 0 0 0 0 1 1

    I only see the problem when I drive the motor “backwards”

    Could it be that the motor coils are not de-energising, so that I am trying to drive current against the energised coil, resulting in a short? Therefore getting the stunted pulses?
  • -- The first question is that on page 11 of the datasheet it says that with enable 0 the motor function is “break.” What does brake mean? Are the FETs driving any current during this phase?

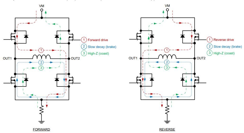
    >> brake is low side slow decay. It is a path to reduce the energy on the connector motor coil. It is a current path to the ground from the motor through one low side FET and a current reflow node to motor through the body diode of the other low side FET. See below image's drive path 2. Ignore the sense resistor. This DRV does not include sense resistors. Replace with the ground.


    -- What does “coast” mean with IN/IN operation? Should I be better to use the motor in this mode?

    >> Coast means a fast decay discharge path through the two FETs not used in the forward or reverse method of drive. It is a discharge path through the body diodes of the unused FETs. I recommend you utilize coast when driving a stepper motor.

  • Hi ajayt,

    Any response here? If not, I will close thread as resolved. Please, reply here if questions still valid or open a new thread for new questioning.