Other Parts Discussed in Thread: DRV8353R, DRV8323, DRV8353
Hi Team,
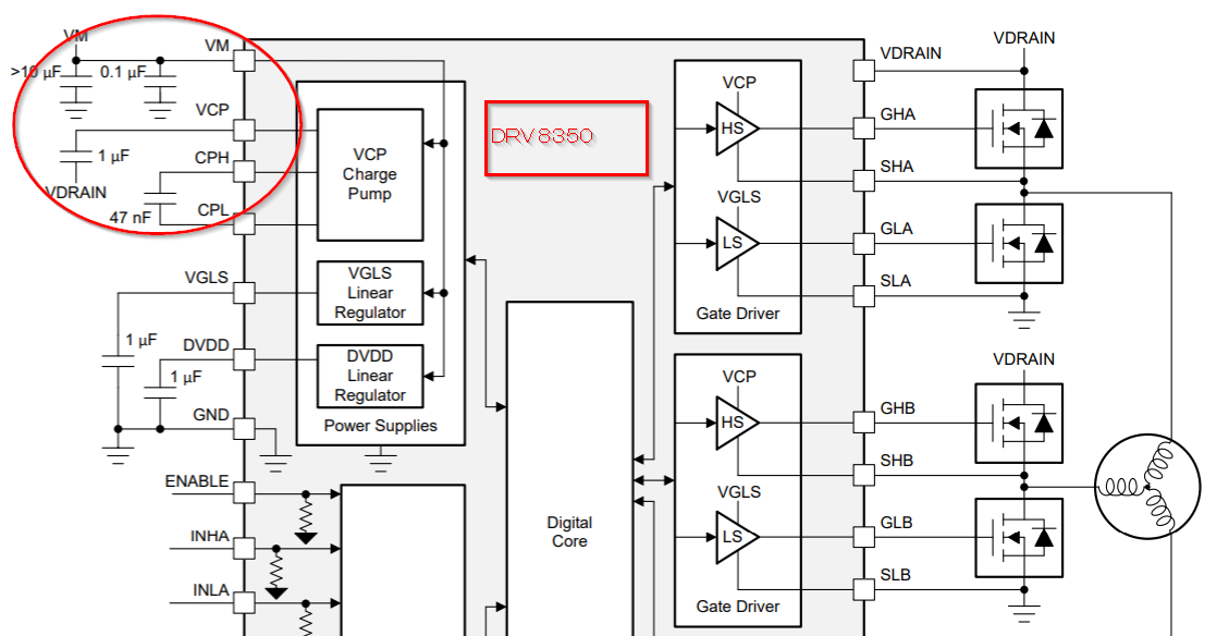
It's written in the datasheet that VCP pin of charge pump should be connected to VM. It means that the power supply for DRV8323R and bridge should be the same.
However, another device DRV8353R can be connected to either VM or VDRAIN, it means the power supply for DRV8353R and bridge can be either the same or separate.
My question is:
Can the VCP pin of DRV8323R be connected to VDRAIN? If so, what's the value of capacitor?
Thanks and Best Regards!
Hao


