This thread has been locked.

If you have a related question, please click the "Ask a related question" button in the top right corner. The newly created question will be automatically linked to this question.

DRV2511-Q1: DRV2511-Q1 - half bridge mode

Part Number: DRV2511-Q1

Hello team,

is it possible to use this driver in half-bridge mode? This could save money on discrete components.

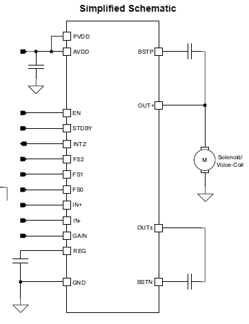
Configuration could look such as this schematic. Connecting actuator on OUT+ and leave OUT- unconnected.

This means IN- would be VCC3/2 and IN+ will be driven with a variable voltage from 0..VCC3.

Is this a possible configuration?

What would be the maximum duty cycle? Is a 100% (or 0%) duty cycle possible with DRV2511?

Is open connection of OUT- possible? Any protection or diagnostic issues?

This all would save additional discrete components such as cap, filter and snubber.

Many Thanks

Josef

  • Hi, Josef,

    Usually, we don't recommend to use the devices with BD modulation in a half-bridge mode. I will explain some consequences so customer could consider if he still want to use it or not. 

    - In BD modulation, the output pins are both in phase when there's no input.This means that if the device is used only with OUT+ or OUT-, the load will be active when there's no input. 

    - Customer would need to use an inverse logic to handle the load. As stated in the datasheet, when there's a positive differential input, the OUT+ duty cycle is greater than 50% and the duty cycle of OUT- is lower than 50%. So, customer could choose between the OUT+ output (from 50% to 100% duty cycle) or OUT- (50% to 0%).

    - There shouldn't be anything connected to the unused output. This will help to save some power during the half-bridge usage. Customer could use only the connection that you shown in your schematic above.

    Remember that we cannot guarantee that the device will work if it is used in a different way that the datasheet mentions. So, customer must do more strict tests in case he decides to use it in production.

    I hope this was clear. Please let me know if you have questions or comments.

    Best regards,
    Luis Fernando Rodríguez S.