This thread has been locked.

If you have a related question, please click the "Ask a related question" button in the top right corner. The newly created question will be automatically linked to this question.

DRV8343-Q1: DRV8343-Q1 minimum hardware configuration

Part Number: DRV8343-Q1

Hi,

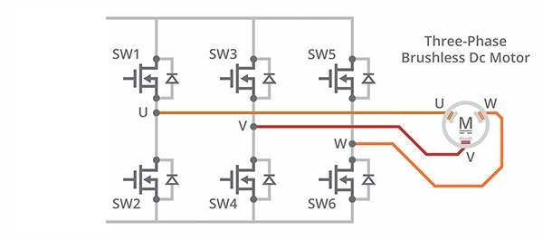
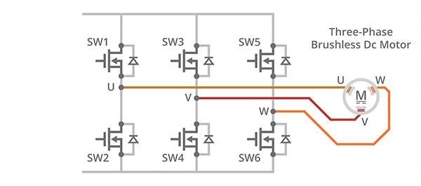
I am working on DRV8343-Q1 and want to set this device to drive BLDC motor.

I have try to send some SPI command and configure it but not able to operate device.

Presently I am working on home made board, In which I have connected LED on output of driver for indication (GLB, GLC).

If I put current sense open will it affect functionality of hardware.

Can someone share minimum hardware configuration required to operate this device with SPI command.