This thread has been locked.

If you have a related question, please click the "Ask a related question" button in the top right corner. The newly created question will be automatically linked to this question.

DRV8323: DRV8323H: Driver chip overheating abnormally

Part Number: DRV8323
Other Parts Discussed in Thread: CSD88584Q5DC

Hello,Everyone,

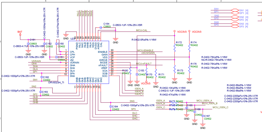
I have a problem that DRV8323H is hot. I use a combination of TMS32F28027F and DRV8323H, and CSD88584Q5DC 40-v half-bridge.

Under the condition of no load, each time the motor is run, 8323H generates extremely serious heat, while MOS temperature is relatively low.

Every time the power motor, after the start, 8323 h began to heat up, 1 min after the temperature reached 70 ℃ or so, more than twice the MOS.

I don't know what happened. My circuit is shown in the figure, referring to the 8323 development board.

I have tried to adjust the external resistance of IDRIVE and increase the drive current to make MOS have better response, but there was no improvement on the heating of 8323.

And I found that 8323 development board still has a similar problem.

What should I do?

Looking forward to your reply.