Hello.
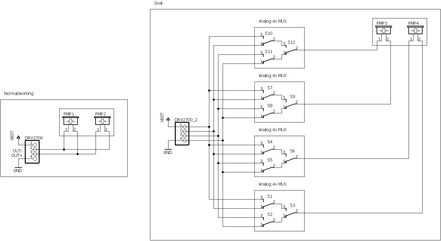
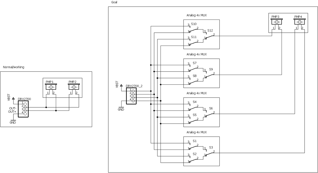
I am using the DRV2700 to drive a piezo pump that has 2 actuators (4 leads) by connecting the 2 actuators in reverse (compared to each other) to the DRV2700 output. The pump actuators are driven with a 1kHz sinus.
I would like to change the connection of the pump from reverse (+- vs -+) to same (both +-) to change the function of the pump to that of a valve. These changes do not have to be faster than 10Hz but at least 1 Hz.
Do you know of a possible solution using solid state?
Best regards,
David
