Hi team,
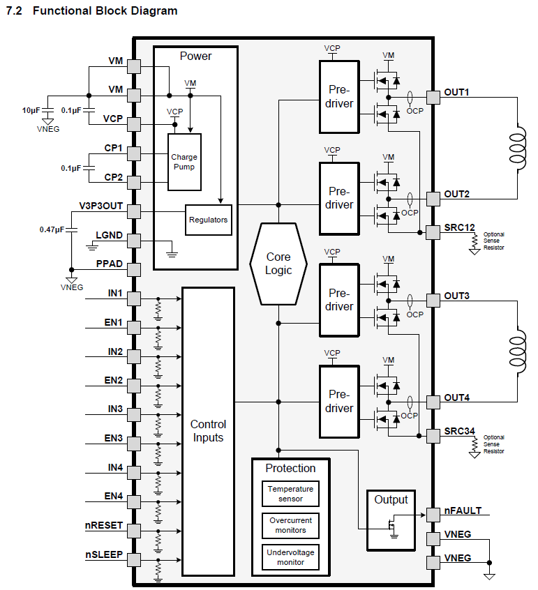
My customer has the concern if DRV8844 can support to low side sensing by adding a resistor on the ground pin to achieve closed loop control? It seems every inside bridge shares the same ground?
Thanks.
This thread has been locked.
If you have a related question, please click the "Ask a related question" button in the top right corner. The newly created question will be automatically linked to this question.
Hi team,
My customer has the concern if DRV8844 can support to low side sensing by adding a resistor on the ground pin to achieve closed loop control? It seems every inside bridge shares the same ground?
Thanks.