This thread has been locked.

If you have a related question, please click the "Ask a related question" button in the top right corner. The newly created question will be automatically linked to this question.

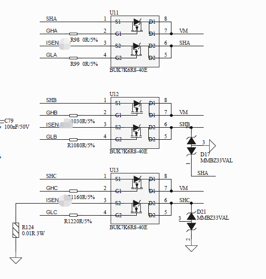
DRV8306: Couldn't start normally

Part Number: DRV8306

Hi Team

My motor couldn't start up normally using myself DRV8306 board.  But If i use hand to touch motor, Maybe it can start to run. Do you has any suggestion how can I run it?  I have EVM at hand, it can driver motor normally.

power supply voltage is 12.5V, the driving frequency is 15kHz, and the duty ratio is 65%. When driving a 12V motor, the motor does not change phase, the current is about 4A, and the normal should be about 2A. The FAULT foot is reported without failure. Starting state: DIR high level, A: 0 B: 1 C: 1 The following is the test picture