This thread has been locked.

If you have a related question, please click the "Ask a related question" button in the top right corner. The newly created question will be automatically linked to this question.

DRV8711 the question of BOCP

Hello, everyone.

Check resistance is 0.01 Euro, drive voltage is 24V, MOS transistor CSD18531, drive motor running for a period of time began to report BOCP and UVLO errors, clear the mark bit is the same. We also hope to point out which direction to look for the problem

1. OCP error reporting occurs after running for a period of time. When this error occurs for the first time and is cleared by writing 0, subsequent error reporting is very frequent.

2. Figure 1 is  Waveform   of  BOUT.

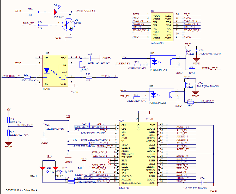
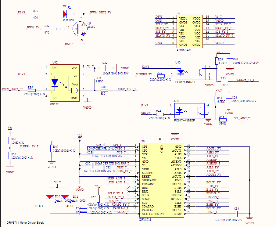
   Figure 2-bit PCB layout

   Figure 3 is the schematic diagram.

  THANK   YOU

3. When OCP occurs, the error is the error of UVLO and BOCP, and the error of UVLO also occurs when the motor is running normally.

  • Hello Chang,

    Thank you for providing the schematic, layout, and waveform.

    Can you provide the following:

    • register settings
    • scope shot showing the FAULTn while the OCP and UVLO faults are getting triggered? 

  •        hi   Pablo Armet,

    • register settings
    • CTRL  Register              MODE    1/32 step     ISGAIN    Gain of 5     DTIME   850ns dead  time
    • TORQUE Register        SMPLTH    100us        TORQUE   0X66
    • Other registers use default values
    • Previously, error reporting PDF increased the dead time to 850ns, and increased the gate resistance on the low-voltage side MOSFET. Now it is the error reporting OCP

      thankyou