This thread has been locked.

If you have a related question, please click the "Ask a related question" button in the top right corner. The newly created question will be automatically linked to this question.

DRV8886EVM: Control from torque measuring equipment

Part Number: DRV8886EVM
Other Parts Discussed in Thread: DRV8886

Hi team,

I have a question about the DRV8886EVM.

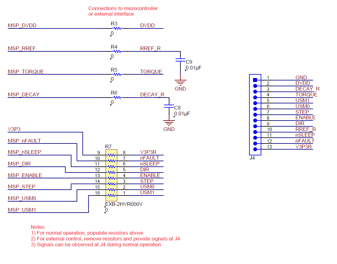
My customer has modified the DRV8886EVM so that it can be driven by the hard IF of the DRV88886 instead of the GUI operation on the PC.
The purpose is to connect to the torque measuring instrument and to connect to the hard IF of the torque measuring instrument.

-Is it possible to change the current limit value by inputting an voltage to the REFF pin?

-Could you tell me which parts should be removed to cut the connection between the DRV8886 and the microcontroller on the DRV8886EVM?

Regards,

Yamaguchi

  • Yamaguchi-san,

    If you want to add your own control signals to DRV8886, you can remove those zero resistor between DRV8886 and EVM's MSP430.

    The current limit value can be changed by changing RREFF resistor current. Please check datasheet Figure 15 and equation 2.