This thread has been locked.

If you have a related question, please click the "Ask a related question" button in the top right corner. The newly created question will be automatically linked to this question.

DRV8870: DRV8870 IC OUT1/OUT2 Pin over spec

Part Number: DRV8870

Hi

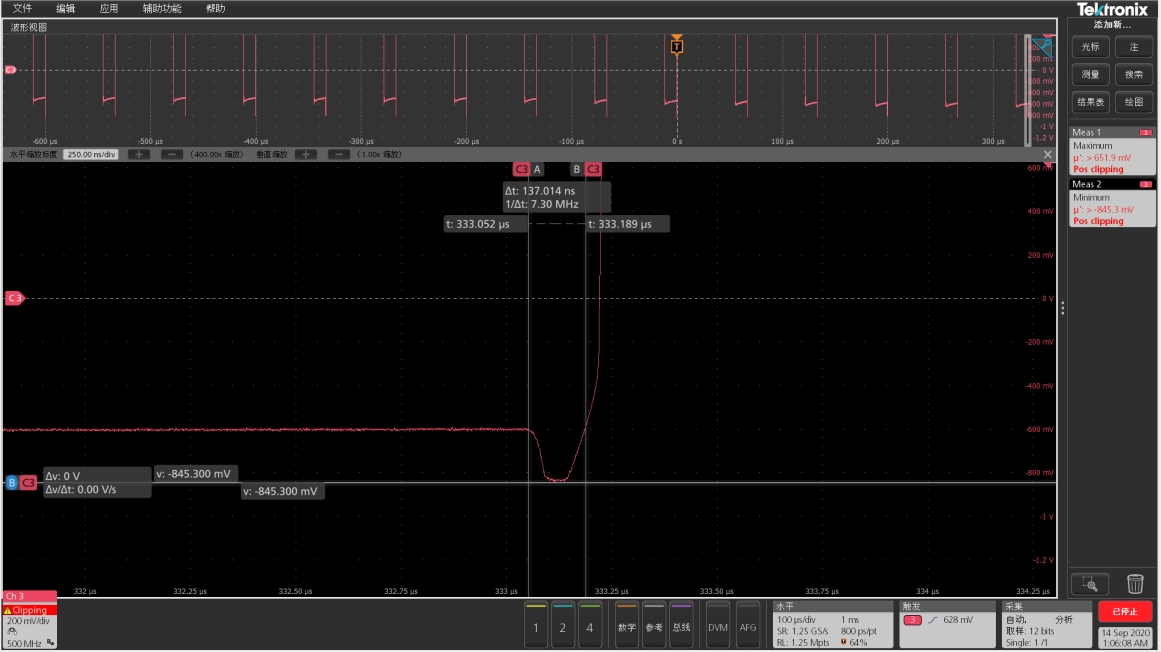
As we can see from our datasheet, the Absolute maximum ratings of Pin OUT1 and OUT2 should be greater than -0.7V, but we found it less than -0.7V during test(waveform as below), could you please recommend how long DRV8870 can operate during  OUT1/OUT2 <-0.7V?

Thank you!

  • Pei,

    In here, the 0.7V represent the body diode forward drop, such as: -0.7V means  the low side FET body diode taking care the freewheel current; VM+0.7V means the output current goes through the high side FET's body diode back to input VM. The 0.7V doesn't include the voltage across parasitic inductance during the transient and doesn't include the FET body diode forward voltage drop variation. 0.7V just represent a body diode voltage difference from the ground or VM.

    So, you could see a negative voltage spike lower -0.7V during the transient and a negative stable voltage lower than -0.7V due the FET body diode forward voltage drop variation.