This thread has been locked.

If you have a related question, please click the "Ask a related question" button in the top right corner. The newly created question will be automatically linked to this question.

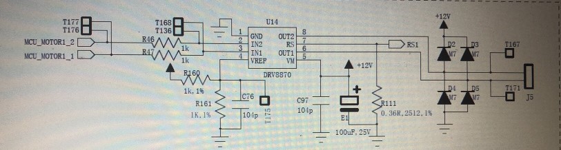
DRV8870: Current at block

Part Number: DRV8870

Hi Team,

  We use DRV8870, Rsense = 0.36, Vref = 2.5V, target current limit is 700mA. SCH is as below. 

  But when the motor is blocked and keep blocking there, the current waveform measured @J5 is as below. Very confused  why the current looks like this and does below block waveform normal?

  

  • Hi Holly,

    Thank you for posting to the motor drivers forum.

    For the most part the current waveform looks correct. The current regulation is regulating the current to around 700mA. The one thing that looks out of place are the sporadic current spikes. Can you send me another scope shot showing the current and voltage at J5. Also, try to zoom in to one of the spikes and measure the spike length and maximum value. I believe there might be sudden voltage spikes at the output which are creating the current spikes.

    What is the PWM frequency and duty cycle for the INx signals?

  • Hi Pablo,

      Pls kindly refer to below current profile. Blue/Purple - Voltage, Yellow - Current. When motor blocked, the inrush current can be as high as 1.4A, but the current limit point is 700mA.

    Zoom in current waveform is as below, duration is about 60ms, very strange

    We just simply give High and Low pulse to let the motor roll forward and reverse. 

    Any idea of how the spike comes from?

  • Hi Holly,

    Thank you for providing the oscilloscope images.

    There can be many things causing the sporadic current spikes. There could be large enough parasitics in your board design and even in the motor structure which can cause sudden noise spikes through the motor. Also, If there is enough parasitic capacitance in the motor structure, it can cause high in-rush current. Have you observed these spikes with other similar motors?

    Have you observed any issues in your system caused by these spikes? The driver should be protected since the current is within the recommended operating range. However, the motor could be damaged if the high currents is higher than what the motor can safely handle. 

    Have you probed the voltages of the motor terminals? Do you also see the spikes there as well? 

  • Hi Holly,

    I have not heard back from you. I am assuming your problem has been resolved. If not, then feel free to reply to this post or create a new post.

  • Hi Pablo,

      Thanks, already discussed in email loop for this issue.