Other Parts Discussed in Thread: DRV8353
Hi,
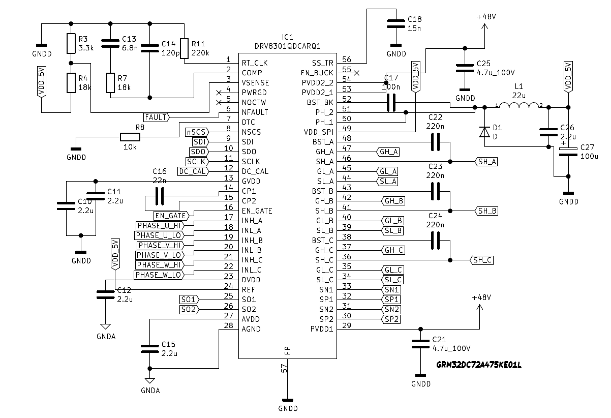
I am facing a problem of VGS pulse in high side inverter mosfets. while switching, high side VGS is 7.5v and low side mosfets VGS is 12v.Please help me to find out the problem.I am using DRV8301 driver.
Regards,
Thanseela

