This thread has been locked.

If you have a related question, please click the "Ask a related question" button in the top right corner. The newly created question will be automatically linked to this question.

DRV8306: DRV8306 replace A4915

Part Number: DRV8306

Hi Team,

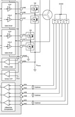
DRV8306 architecture Hall must be independently connected to positive and negative. customer motor has a signal output for A&B&C Hall, and a Ground and VDD.
Can the logic pin be changed to 5V?

  • Hello Kevin,

    The DRV8306 Hall sensor input pin voltages only support up to DVDD (3.3V).

    • Do you have the Hall sensor operating range (VDD) available? This would be in the motor datasheet.
    • Are the Hall sensors
      • open drain (i.e. DRV5013 - requires an external resistor pull-up)?
      • push-pull (i.e. DRV5011 - does not require  an external resistor pull-up)?
      • single-ended analog/linear output (i.e. DRV5055)?
      • or differential analog/linear output (i.e. a Hall element)?

    Please connect DVDD to the signal connector VDD, and Hall A,B,C  based on Figure 27 in the datasheet.

    If the Hall sensors do not operate down to 3.3V on VDD, you can still pull up an open drain output to DVDD to make the output 3.3V max.

    Thanks,

    Matt