Need a Power path controller similar to LTC4414, but at 48V and 6.2 KW. since here is a change in the requirement,
This thread has been locked.
If you have a related question, please click the "Ask a related question" button in the top right corner. The newly created question will be automatically linked to this question.
Need a Power path controller similar to LTC4414, but at 48V and 6.2 KW. since here is a change in the requirement,
Hi Suhas,
LM74700-Q1 can withstand voltages upto 60V where as LM5050-1 can withstand voltages upto 75V. Both the controllers can support multiple FETs in parallel. You can choose the controller accordingly.
Can you suggest any MOSFETS compatible for this with 200A or above. Also is there any simulator which has an inbuilt library of these TI components
I am using TINA simulator i am not able to control the Oring priority. It always takes the highest value
Hi Suhas,
Looks like you want to achieve Priority Power Muxing. i.e. Turn ON the primary power supply irrespective of the voltage (as long as it is valid) and switch to secondary power supply when primary power supply turns OFF (or is not available).
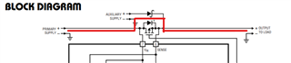
LTC4414 does not have priority power muxing capability. To achieve Priority Power Muxing, you need to have a blocking FET also on the secondary power path to disconnect the OUT from IN when Vsecondary > Vprimary. This can be achieved by using LM74800-Q1. You can refer to 'Design # 6: Reverse Battery Protection With Priority Power MUXing' section of the Six System Architectures With Robust Reverse Battery Protection Using an Ideal Diode Controller app note to understand more.
LM74800-Q1 + back to back FETs are definitely required on the secondary power path to achieve Priority Power Muxing but in case you do not want ON/OFF control for primary power path, you can use LM74700-Q1 (which only drive diode FET) instead of LM74800-Q1.
Hi Suhas,
Even if you turn OFF the LTC4414, the body diode of the FET will conduct due to its orientation. So, it is not possible to block the forward current flow.
the control with LTC4414 was simple. We measure the value and controlled using a Micro controller . for priority
So what is the best possible sollution for priority Muxing. at 48V and current at 200A or above
As I mentioned above,
Hi Shenoy,
The best possible solution we can offer for Priority Power Mixing is LM74700-Q1 (in primary path) + LM74800-Q1 (in the secondary path with its OV pin connected to Primary input) similar to the circuit shown in 'Design # 6: Reverse Battery Protection With Priority Power MUXing' section of the Six System Architectures With Robust Reverse Battery Protection Using an Ideal Diode Controller app note.
The FET selection procedure for LM74700-Q1 and LM74800-Q1 is clearly available in the Datasheets.