This thread has been locked.

If you have a related question, please click the "Ask a related question" button in the top right corner. The newly created question will be automatically linked to this question.

UCC27282: LO Side Driver Failures

Part Number: UCC27282

Hi,

We are using 3x UCC27282 in a 3 phase inverter application with the following specs:

  • 100V DC Bus, 12V VDD for UCC27282
  • 2x parts of MOSFETs in Parallel each with Qg = 120nC. 4x FETS per phase in total.
  • 20 KHz PWM driving a outrunner BLDC motor (low inductance).
  • 1mR current shunt sense resistor

At voltage levels below 36 VDC our design is stable, and largely free of noise, overshoots, thermal good, etc.

At voltage levels above 36 VDC all of our gate drivers fail simultaneously. When we activate the lower gate driver, the device draws 0.2A / 12V. The device has clearly failed.

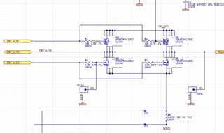
There is nothing special about the gate driver setup as below:

The schematic for our FETS is below. Note: we have U.FL (SMA RF) connectors at all critical points for signal analysis.

The PCB layout is 4 layers of 2oz copper, very solid.

I've annotated the major components as in the image below. For the UCC27282 we have the exposed pad bonded to 4 layers of copper with vias, and the GND pin bonded to a plane with a via directly at it.

C_boot and VDD caps are directly at the pins. 

The only real question mark in the design the length of the LO signal between UCC27282 and the LO side gate resistors, however the track length is only 14mm millimetres long.

So we are looking for some suggestions as to what we can test to determine why we have all of our devices with LO side failures at (or about) the same time.

Could the current sense resistor be the cause of our issues? - Could this resistor somehow allow LO to go beyond a specification?.

Is the loop inductance between LO pin and gate resistor a possible source of error? I don't see anything bad on the scope when connected to the SMA at the lower gate resistor.

We notice that in SNVSAQ5A.PDF, section 8.2 (Typical Application) there are Shottky diodes at the LO pin, and between HS and HO. If we need these diodes in our design, how do we determine that?. What is the parameter of the UCC27282 that the diodes are trying to protect?

Could our deadtime somehow contribute to these failures?

Thanks

Stomp!.

  • Hello Stomp,

    Thank you for the interest in the UCC27282. We will be able to address your concerns with the driver but it may take a couple of experiments and information exchange.

    For a motor drive application your component placement looks better than many I have seen. One likely cause of stress to the driver pins is driver output undershoot and overshoot which is a result of the trace inductance from the gate driver output to gate of the FET, and the return path from the FET source (or in your case the shunt) back to the gate driver ground reference.

    The schottky diodes you mentioned would be my 1st recommendation to try, since the current sense shunt is likely adding inductance in the gate drive current loop.

    Place a 1A rated schottky diode in a small package as close to the driver LO pin and VSS pin as possible, and connect with short length connections. The diode will  limit the output undershoot below the recommended range of -2V for 100ns.

    Let us know if this helps the concerns.

    Regards,