This thread has been locked.

If you have a related question, please click the "Ask a related question" button in the top right corner. The newly created question will be automatically linked to this question.

BQ3060: one of the batteries has -18mA leakage

Part Number: BQ3060

We designed a 3-serial lithium polymer battery with BQ3060, and one of thebatteries has -18mA leakage  when the battery has no load, and it has no effect when we do current calibration again, and we have confirmed the capacitors and esd components work well, so what might be the problem of leakage 

  • Jinxing,

    Have you measured the voltage across the senseR to see if it is real? If the gauge is registering 18mA it means it is either reading that value across SRN/SRP pins or the device has not been calibrated. I would not expect leakage to flow through the senseR. You would see leakage as the gauge registering 0Current, but battery voltage is decreasing over time. 

    Thanks,

    Eric Vos 

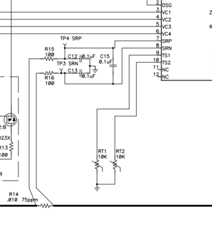
  • I removed all the capacitors connected to senseR,  and i think there is no current flowing the senseR, and i did a test, i exported .gg file and then import .gg file,   the leakage of -18mA became to 0mA, How to explain this phenomenon?

  • JInxing,

    I am not sure what you mean by removed the capacitors (I assume you left the senseR and a path to the gauge). It sounds like there was a calibration issue which was causing a ghost offset. If you see it again, please just try to re-calibrate the device.

    Thanks,

    Eric Vos

  • removed the capacitors means that i removed the filter capacitors of SRN/SRP pins,  I did re-calibrate current before, and the leakage didn't change(-18mA),and i just export .gg again, the the leakage of -18mA became to 0mA. I am worried about this issue, because i don't know the reason 

  • JInxing,

    You mean you removed C12/C13 and the issue went away? but you left R15/R16/R14? Those caps will play no role in the current. If importing/exporting the gg file cleared the issue then the issue is with the calibration settings and calibration was not done properly. It is possible you had something causing the calibration to not update the flash correctly or you were not calibrating the correct parameter. 

    If removing the caps solved the issue, then you have a leakage through your board. 

    Thanks,

    Eric Vos

  • removed the capacitors means that I removed c12,c13,c15 in the picture you posted, and the leakgage didn't change. you mentioned calibration may not correct, you mean the current calibration, right? how to calibration in detail?How much accuracy should be controlled?

  • Hello Jinxing,

    Calibration should always be done before testing the gauge, you can use the app note on the product page: https://www.ti.com/lit/pdf/slua502

    Sincerely,

    Wyatt Keller

  • Hi, I i did the current calibration at the beginning,I want to how does leakage current happen? and why as long as I import the .gg file again, the leakage current disappears(it shows 0mA )?

  • Hello Jinxing,

    Which calibration parameters change when you upload the .gg? The calibration may not have been performed correctly leaving an offset on the coulomb counter. Are you saying when you export the .gg the leakage disappears, or when you upload the .gg?

    Have you let the gauge do an auto-calibration by following section 1.8.2 Auto Calibration of the TRM?

    Sincerely,

    Wyatt Keller