This thread has been locked.

If you have a related question, please click the "Ask a related question" button in the top right corner. The newly created question will be automatically linked to this question.

TPS561208: TPS561208 Output Voltage Problem

Part Number: TPS561208

Hi there,

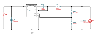
I'm using TPS561208 in my circuit. Vin=5V and I want to get 3.3V at output pin. I designed the schematic as same as Webench circuit. But I'm getting 3.6V constantly. 

Webench circuit:

 

My circuit:

I dont understand what is the problem. I tried to use the same products selected in Webench and the same schematic as Webench.