This thread has been locked.

If you have a related question, please click the "Ask a related question" button in the top right corner. The newly created question will be automatically linked to this question.

TPS55288: stability issues with components selected by design calculation tool

Genius 17175 points
Part Number: TPS55288

Hi all

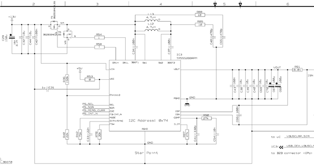
My customer has implemented a USB PD power supply with the TPS55288 with these specs:

Vin=13V

Vout= 5V ... 20V / 3A

They have used the design calculation tool and have selected these component values:

R3=27k, C7=10n und C6=330p

With these values the controller is not stable in boost mode at currents > 2.5A.

Using the values from the EVM R3=56k2, C7=4.7nF, C6 not populated the circuit works ok.

Can you comment and also review the schematic ?

They would like to optimize the compensation for Vin = 13V.

What component values should they use ?

Best regards

Ueli