Dear sir,
Our power circuit is as follows: (Accessories are key parts specifications)
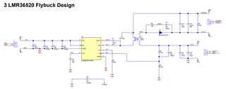
It is TI's 54V to 12V power supply circuit. Then output 12V current (about 50W) through the transformer
Do you suggest that I take key parameters such as the transformer turns ratio and induction value in the power supply circuit as an important reference for selection or customization?
thanks for your help!



