Other Parts Discussed in Thread: BQ76930, , BQSTUDIO, BQ78350
Hi,
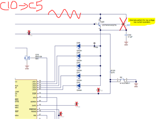
I am using the BQ76930 EVM.
I want to press the display button and show the battery SOC on the 5 LEDs.
Can you tell me how to do that (press the button and turn on LED showing SOC)?
Thanks!


