This thread has been locked.

If you have a related question, please click the "Ask a related question" button in the top right corner. The newly created question will be automatically linked to this question.

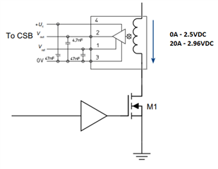
UCC28070: Current sensor instead current transformer for CSA , CSB

Part Number: UCC28070

Hi team, 

we want to use a current sensor instead of current transformer ,
but the Vout senvisity of the sensor is 23 mV/A and it begins from 2,5VDC. So when 20 amps flow through it, the CSA/CSB signal will be 2,96VDC.

Of course, if I will also remove the PWM RAMP and Current transformer reset circuit and set the Peak current settings according to 2,96VDC.

Do you think that this will work?







Thanks in advance

  • Hi Mikail,

    You will have to remove the 2.5V offset. 

    It would be better to gain up the signal a bit. It may not be necessary, but would be a good option to have.

    Ray

  • Hi Ray ,

    1-) So if I remove the 2.5V offset, do you think it would make sense to set the peak voltage setting to 0.46VDC? instead of 2.96VDC.

    2-)What do you think If I remove the PWM ramp circuit, i mean that is directly from the Voltage sensor output to the CSA pin, does it make sense? 

    Regards


  • Hi Mikail,

    If you remove the offset and only have the 23mv/A gain, then you will need to adjust the PKLMT accordingly (I assume this is what you mean by "peak voltage"). 

    Unless you're primarily operating near full load, this may work OK.  However, I highly recommend you gain up the signal, otherwise your solution will have a high signal-to-noise ratio and will be very susceptible to noise.

    You would probably still want the ramp/offset circuitry for light loads when the inductor current goes discontinuous.  Again, unless you plan on primarily operating near full load.

    The design choices and tradeoffs are certainly yours to make, but using a CT is the recommended approach.  Perhaps there's a cost concern, but for a 10kW system, it seems like the incremental cost of a CT would outweigh the risks in trying to design around it.

  • Hi Ray Sorry for replying a little late, 

    thank you for your help

    regards