This thread has been locked.

If you have a related question, please click the "Ask a related question" button in the top right corner. The newly created question will be automatically linked to this question.

BQ76952: Unable to communicate with bqStudio

Part Number: BQ76952
Other Parts Discussed in Thread: BQSTUDIO, , EV2400

Hi Team,

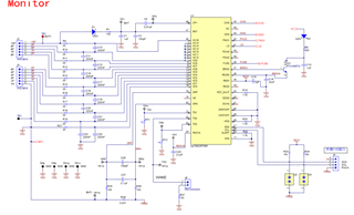
Refer to BQ76952_2Layer_TestBoard_Altium file for board design. Using BQ76952 to make a 10S protection board, the following is the schematic diagram. After connecting to the battery pack, it is measured that REG18 has 1.8V voltage output, and REG1 has no voltage. The PC uses the I2C interface to communicate through the EV2400, and bqStudio prompts that the device cannot be found.

It is also impossible to communicate by using flying leads or changing the way the battery is connected (the specific wiring is as shown in the figure below).

Thanks,

Annie

  • Hello Annie,

    REG0 and REG1 have to be enabled for the regulator to work, if the part does not have it enabled by default. If these are not providing the pull-up voltage, it may not be able to communicate through I2C. 

    REG18 being at 1.8-V is good. Can they measure the voltage at TS2? Is it low? If it is low, the device should be awake and should be able to communicate.

    Are they using an external EV2400? Or the on-board EV2400 of the EVM? Make sure that the latest EV2400 firmware is installed.

    Best Regards,

    Luis Hernandez Salomon

  • Hi,

    The chip is BQ76952. By default REG1 is not enabled. I2C communication is using external EV2400. The I2C bus is pulled high through an external EV2400. TS2 voltage is low.  When testing, connect TS2 to ground through a short-circuit jumper cap through a 10K resistor. 

    Using the voltage of EV2400, pull up the I2C bus, can't communicate? Does it have to be REG1 capable?

    Thanks,

    Annie

  • Hello Annie,

    If TS2 is low, the device is likely up and functional, and you should be able to communicate. The pull-up of the external EV2400 should be fine for communication.

    Are all the LEDs of the EV2400 on? There should be three green LEDs lighting up when connecting to a PC, if not. You may have to replace your cable.

    Is the firmware of the EV2400 updated to the latest firmware? Are they using the latest version of bqStudio? 

    Best Regards,

    Luis Hernandez Salomon

  • Hi,

    All lights on EV2400 are on. The version of bqStudio is "Version : 1.3.110 Build 1".

    The firmware of the EV2400 is the latest one. The battery voltage is 40V, and the voltage of CP1 is 52V.

    Thanks,

    Annie

  • Hello Annie,

    That is very odd. The device sounds like it is ON. Could you explain how they are connecting to the EV2400? Do they have a picture of the connection? If the measure the SDA/SCL pins, do they measure the ~3.3-V?

    Best Regards,

    Luis Hernandez Salomon