This thread has been locked.

If you have a related question, please click the "Ask a related question" button in the top right corner. The newly created question will be automatically linked to this question.

TPS23730EVM-093: How to improve efficiency/power loss for low output loads

Part Number: TPS23730EVM-093

Hi,

We have just brought up our first revision/proto board using this evaluation circuit for our PoE PD. We have been doing some measurements on efficiency and the results correlate pretty well with the measurements you have done on TPS23730EVM-093 (Figure 6-13). Main difference is that we see a bit worse efficiency at light loads, but at high loads we are pretty much on par which is very good. However since our product will operate at light loads (around 200-250mA @ 12V output) maybe 95% of the time, we were wondering if you had any suggestions on how to improve light load efficiency? Even if it would compromise higher load efficiency.

From our initial investigation it looks like the main losses are in the transformer and secondary side inductor as they heat up quite a bit over time - but can't really understand why as they should be far from reaching saturation at such light loads. All switching transistors are pretty much at room temperature.

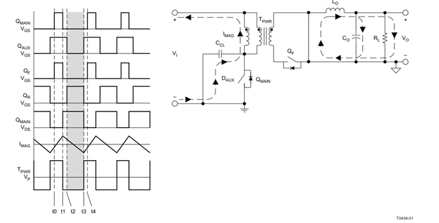
  • Hello, 

    at 250mA, aka 5% of the load current, the design enters a low duty cycle state. It is no longer the typical duty cycle based on input voltage. Instead, the primary FET is turned off most of the time. This means the current is free-wheeling in the secondary across the inductor, which is giving rise to the inductor temp. 

    The voltages and currents are in  this state:

    This is just part of active clamp forwards. 

    If you are looking for something with better power consumption at light loads, we have a 12V/50W diode flyback design internal. I can send it to you via private messenger. 

    If this post answers your question, please indicate so by marking this thread as resolved. Thank you.

     

    Regards, 

     

    Michael P.

    Applications Engineer

    Texas Instruments 

  • Hi,

    Thank you for the informative answer - would be very interested in seeing the 12V/50W flyback design. I have accepted your friend request.

    Best regards,

    Mats

  • Hello, 

    Design sent, please mark this thread as resolved if this answers your question. 

    If this post answers your question, please indicate so by marking this thread as resolved. Thank you.

     

    Regards, 

     

    Michael P.

    Applications Engineer

    Texas Instruments