This thread has been locked.

If you have a related question, please click the "Ask a related question" button in the top right corner. The newly created question will be automatically linked to this question.

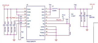
TPS62130: TPS62130 output abnormal

Part Number: TPS62130

Dear TI experts,

My customer uses TPS62130 for SOC 2.5V power domain in their automotive lidar products, but after experimenting with high temperature and high humidity on the product(double 85), the tps62130 output voltage becomes abnormal, which is close to the input voltage 5.5V. (They disconnected the load circuit before the experiment). They tried connecting a light load to the TPS62130 and the output voltage dropped to the nominal 2.5V. They measured the voltage of the SW pin is about 5.5V when the output load was not connected, and when the load was connected, the SW waveform became normal. The problem follow the chip after ABA experiment. The following is the schematic diagram, layout and test waveform, please help to provide some ideas to solve the problem, thank you!