This thread has been locked.

If you have a related question, please click the "Ask a related question" button in the top right corner. The newly created question will be automatically linked to this question.

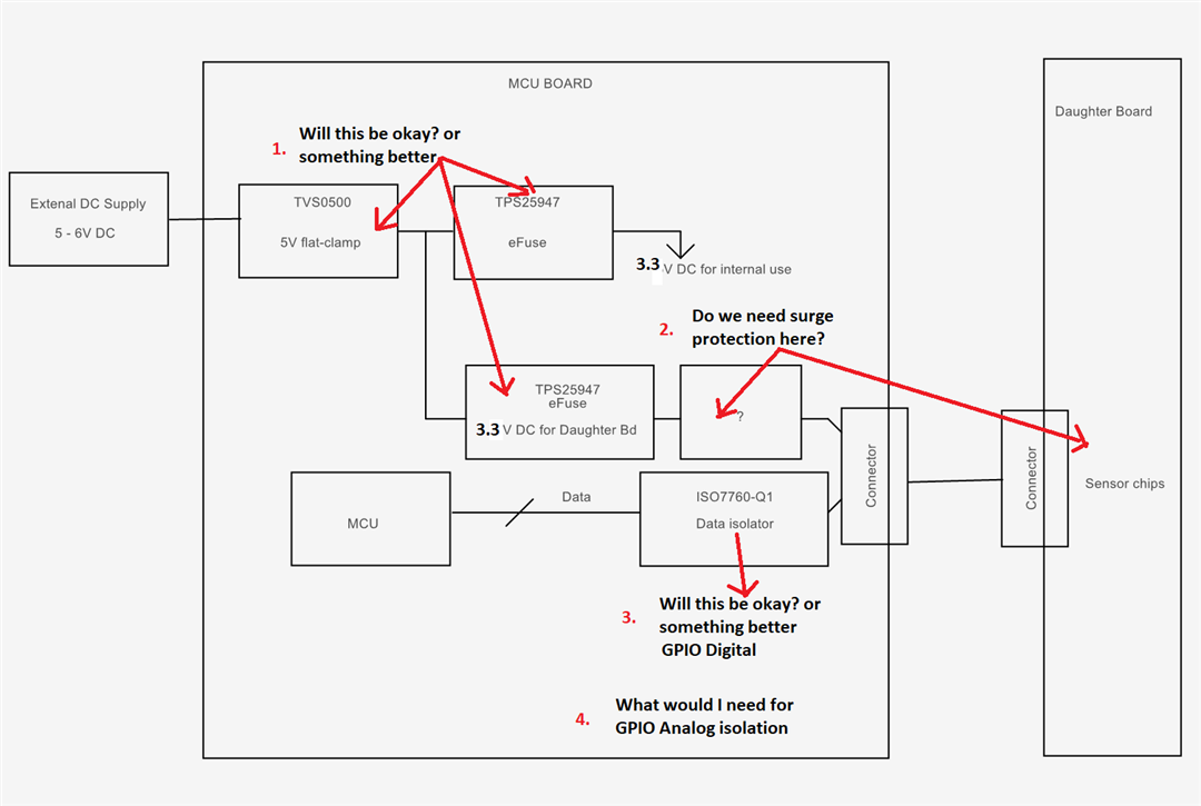
TPS25947: Component suitability

Part Number: TPS25947

Hi,

Please refer to attached drawing 

I am designing a MCU board which will communicate with a daughter board to get sensor data.

On the MCU board, I want to protect the input voltage against surge, EMI, clamp the voltage to 5.6V max, use  efuse for further voltage and current control.

Also I want to have the same for the daughter board.

Some data lines are connected between MCU and daughter board

One analog voltage from daughter board to MCU board

I have selected few components which I feel will do the job.

I wish to get a recommendation or suggestion on my selection and make sure that I have selected the right components.

please refer to the image and answer the question as marked

Regards

Shaun