This thread has been locked.

If you have a related question, please click the "Ask a related question" button in the top right corner. The newly created question will be automatically linked to this question.

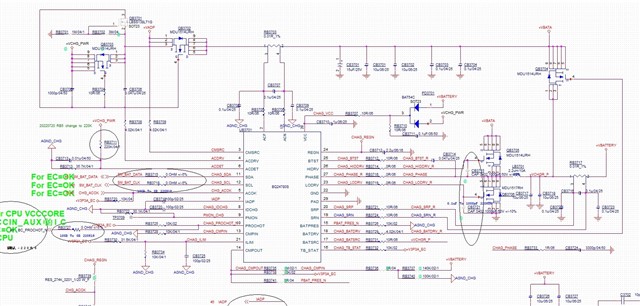
BQ24780S: Can the BQ24780S realize the battery auxiliary power supply to the load when the adapter cannot meet the current demand

Part Number: BQ24780S

Hi TI Teams,

Can the BQ24780S realize the battery auxiliary power supply to the load when the adapter cannot meet the current demand? If yes, how does the BQ24780S judge that the Adapter cannot meet the load power supply, and then synchronize the boost battery current to the load?

The schematic is as below:

Thanks,

Kind Regards