This thread has been locked.

If you have a related question, please click the "Ask a related question" button in the top right corner. The newly created question will be automatically linked to this question.

TPS7B4253-Q1: Shortcut to battery performance & protection

Part Number: TPS7B4253-Q1

Hello

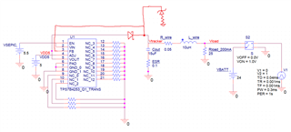
  I am simulating with tracker TPS7B4253-Q1, and I have some questions, but first of all, let me clarify about you can see in the schematic in PSPICE:

 

-  I had to place high impedance resistors at NC pins to avoid errors

-  I am simulating a shortcut to battery (32V) 

-  Input to tracker is an internal power source of 5.5V

-  ESR is there to decrease high voltage oscillations at pin 5 ()Vout)

 And these are the results:

   

    My questions are:

1.- According to specs, maximum voltage at VOUT is 40V, so, I am assuming that in this particular situation (shortcut to battery - SCB) , device is able to survive to this voltage peak, is this right?

2.- Looking at the input current in VOUT pin during this SCB, yo can see a peak about 14A - entering to the device -, I do not find specifications in this regards, is the device able to withstand this current peak?

3.- Is this other protection method a possible solution: ?

     

Thank you.

 

  • Hi Fausto,

    1 - Yes a VIN - VOUT -32V differential is within the abs max range and the part will survive this condition.

    2 - We do not have specifications on what is acceptable peak reverse current, however this device has back to back pmos pass devices specifically to limit the reverse current conditions and provide the device with the necessary protection, so it should be ok as long as the abs max of the device is not exceeded.

    3 - implementing a reverse protection diode is a good way to help mitigate the fault. This device has internal protection as described in 7.3.3

    Regards,

    John

  • Hello John,

      Busy in other topics,   coming back to this topic, so my understanding is that as long as voltage at OUT pin is lower than 45V --  during shortcut to battery -- , device will not be destroyed by reverse current:

        

    am I right ?

    Just curious about what I am seeing as reverse current is real, model file mentions that shortcut to battery is modelled:

    and well , according results I see current flowing out Vin pin:

    Br

  • Hi Fausto,

    Yes, your understanding is correct the device can protect itself to have itself survive the short to battery event.

    The model is simulating the general performance of the device responding to the short, however the exact voltage and current specifications will differ slightly in a real application.

    Regards,

    John